СХ

Контроллеры

Контроллер температуры BC-ITC-111 BECOLL

BC-ITC-111 - Одно релейный контроллер температуры с функцией управления охлаждением и размораживанием остановкой охлаждения; одним температурными NTC датчиком в охлаждаемом объёме; и дискретным входом контроля закрытия двери.

Режимы работы
1.Регулирование температуры в объекте путем управления электромагнитным клапаном подачи хладагента. Естественное размораживание методом перекрытия подачи хладагента.
2.Регулирование температуры в объекте путем включения/выключения компрессора. Естественное размораживание методом выключения компрессора.

Усиленное реле компрессора - 20 А, позволяющее подключать довольно мощную однофазную нагрузку напрямую к контроллеру;
Настраиваемые циклы оттайки, которые выполняться посредством остановки охлаждения;
Контроль температуры превышения/понижения с последующим выводом сообщения соответствующей аварии на
дисплей контроллера;
Контроль целостности кабельных линий датчиков температуры;
Контроль закрытия двери охлаждаемого помещения.
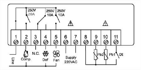
Схема подключения:

Контроллер температуры BC-ITC-321

BC-ITC-321 - Трёхрелейный контроллер температуры с функцией управляния охлаждением, вентилятором и размораживанием; двумя температурными NTC-датчиками: в объёме и поверхность испарителя; и дискретным входом контроля закрытия двери.

Микропроцессорный контроллер BC-ITC-321 предназначен для использования в средне- и низкотемпературных системах торгового, коммерческого и промышленного оборудования. Обладающего всеми необходимыми функциями точного контроля и регулирования температуры в пределах установленных значений:
•Усиленное реле компрессора - 20 А, позволяющее подключать довольно мощную однофазную нагрузку напрямую к контроллеру;
•Датчик испарителя для контроля температуры окончания оттайки и управления вент-ом;
•Настраиваемые циклы оттайки, которые могут выполняться посредством электричиских ТЭНов, либо горячим газом;
•Окончание оттайки по температуре испарителя или по времени;
•Контроль температуры превышения/понижения с последующим выводом сообщения соответствующей аварии на дисплей контроллера;
•Контроль целостности кабельных линий датчиков температуры;
•Контроль закрытия двери охлаждаемого помещения.
Схема подключения:
Технические параметры:
•Рабочие условия Питание: ~230 В перем. тока, ±10%, 50/60 Гц
•Номинальный ток реле (разморозка и вентилятор): 8А/~220В перем.тока; компрессор 20А/~220В перем.тока (SPST)
•Температура эксплуатации: -5°С ~ 55°С;
•Относительная влажность: 10% ~ 90% RH (без конденсации)
•Температура хранения: -30°С ~ 85°С
•Диапазон регулирования температуры: датчик NTC -50°С ~ 110°С (-58°F ~ 230°F)
•Разрешение экрана: 1°С / 0,1°С (режим переключения между целым и десятичным)
•Точность: NTC ±0,5°С (-30°С ~ 50°С), другие ±1°С
•Тип датчика: NTC (-50°С ~ 120°С), 10 кОм ±1% при 25°С Габаритные и монтажные размеры:
• Габаритные размеры Длина х Ширина х Глубина: 77 х 34,5 х 58 мм
•Монтажный размер: 71 х 29 мм (Длина х Ширина)
•Длина провода датчика: 2 м (включая длину датчика)
Панель управления и индикации:

ПР200 программируемое реле с дисплеем

ОВЕН ПР200 – программируемое реле с дисплеем. Применяется для решения локальных задач автоматизации: водоподготовка, водоочистка, вентиляция, отопление и др.
Прибор выпускается в корпусе 7 DIN и имеет на борту до 24 каналов ввода/вывода. Для расширения собственных входов/выходов предусмотрено подключение по внутренней шине модулей расширения ПРМ. Для интеграции в SCADA-системы и управления внешними устройствами в прибор может быть установлено до двух интерфейсов RS-485 с поддержкой протоколов Modbus RTU/ASCII. Написание алгоритма осуществляется пользователем на языке FBD с помощью бесплатной среды программирования Owen Logic. Загрузка алгоритма производится с помощью кабеля miniUSB (входит в комплект поставки).
Подключаемое оборудование:
4 аналоговых входа: РТ100, РТ1000, 4…20 мА, 0…10 В, 0…4 кОм, режим дискретного входа.
2 аналоговых выхода: 4…20 мА или 0…10 В.
Дискретные входы: 24 В или 230 В.
Дискретные выходы: э/м реле или транзисторные ключи.
В модификациях ПР200-х8 имеется возможность подключить:
Датчики электропроводности и солесодержания.
Кондуктометрические датчики уровня.
Коммуникационные возможности:
Два интерфейса RS-485, режим Master/Slave:
Интеграция в облачный сервис OwenCloud и SCADA-системы.
Визуализация процессов с помощью панелей оператора.
Управление внешними устройствами по RS-485.
Запрос на КП или счет можно направить по электронной почте strcold@ya.ru
Узнайте об акциях и скидках первыми!
Один раз в месяц мы будем присылать вам информацию о наших последних коллекциях, скидках и акциях. Обещаем быть полезными!
+7 981 163 97 43
strcold@yandex.ru
г.Санкт-Петербург
Made on
Tilda