СХ
Терморегулирующие вентили
серии BC-TR/TRE
Терморегулирующие клапаны TR и ТRЕ применяются для регулировки потока хладагента на входе в испаритель, измеряя перегрев хладагента на выходе испарителя. Их можно использовать с различными хладагентами в широком диапазоне температур.

Терморегулирующие вентили используются для систем охлаждения, кондиционирования воздуха и тепловых насосов.
Характеристики:
Доступны модели для R22, R134a, R407C, R404A/R507.
Диапазон температур кипения - 40…+10°C
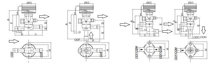
Корпус клапана угловой со штуцерами под отбортовку и сменными вставками.
Диаметр штуцера линии внешнего выравнивания 1/4".
Длина капиллярной трубки 1,5 м.
Максимальное рабочее давление 28 бар.
BC-TRX BC-TREX BC-TRES BC-TRN BC-TREN BC-TRZ BC-TREZ
клапанный узел
Терморегулирующие вентили
серии BC-TCLE/TRFE
Терморегулирующие вентили применяются для регулировки потока хладагента на входе в испаритель, измеряя перегрев хладагента на выходе испарителя. Их можно использовать с различными хладагентами в широком диапазоне температур. Терморегулирующие вентили используются для систем охлаждения, кондиционирования воздуха и тепловых насосов.

Характеристики:
Разборная конструкция со сменными силовыми элементами и вставками.
Диафрагма большого диаметра обеспечивает стабильную работу ТРВ.
Доступна функция MOP (Максимальное рабочее давление).
Доступны корпуса прямоточного и углового исполнения.
Доступны модели для R22, R134a, R407C, R404A/R507.
Двунаправленная конструкция пригодна для работы в тепловых насосах.
Диапазон температур кипения - 45…+10°C
Комплект поставки:
силовой элемент, расширительная вставка, корпус ТРВ (TCLE с медными патрубками под пайку, TRFE – латунный корпус)
Холодопроизводительность от 12.32 кВт до 246 кВт на R404/507
При температуре кипения To = +4,4C; Температура конденсации Tk = +38C
Переохлаждение 1K.
Поставляются в сборе с клапанной вставкой.
BC-TRX BC-TREX BC-TRES BC-TRN BC-TREN BC-TRZ BC-TREZ
клапанный узел
BC-TFRE
BC-TCLE
Терморегулирующие вентили серии BC-FRF
Серия BC-FRF — неразборные терморегулирующие вентили производительностью до 158 кВт для работы с хладагентами R410А, R22/407С, R404А/507, R134а. Обладают высокой стабильностью работы в широком диапазоне температур кипения от -40°С до +10°С и при значительных колебаниях нагрузки. Все присоединительные патрубки выполнены под пайку.

Характеристики:
Доступны модели для R410A, R22/R407C, R134a, R404A/R507.
Холодопроизводительность: от 3,5 до 158кВт
Максимальное рабочее давление: 46 бар
Максимальное давление тестирования: 50.6 бара
Диапазон температур кипения: от -40°С до +10°С
Конструкционные материалы:
Корпус и седло вентиля - латунь
Патрубки – медь
Капиллярная трубка, длина 1,5м.
BC-TRX BC-TREX BC-TRES BC-TRN BC-TREN BC-TRZ BC-TREZ
клапанный узел
Запрос на КП или счет можно направить по электронной почте strcold@ya.ru
Узнайте об акциях и скидках первыми!
Один раз в месяц мы будем присылать вам информацию о наших последних коллекциях, скидках и акциях. Обещаем быть полезными!
+7 981 163 97 43
strcold@yandex.ru
г.Санкт-Петербург
Made on
Tilda